Novinky
04.11.2025
Doprava ZADARMO Bratislava Pezinok Modra.
Do poznámky pri objednávke treba napísať Heslo : Prosím priniesť
čítať celé
17.10.2025
Zameranie a montáž vložiek na systém generálneho a hlavného kľúča ZADARMO.
Zameranie a MONTÁŽ vložiek na systém SGHK Bratislava Pezinok Modra ZADARMO !
čítať celé
- Úvod
- Zadlabávacie Zámky
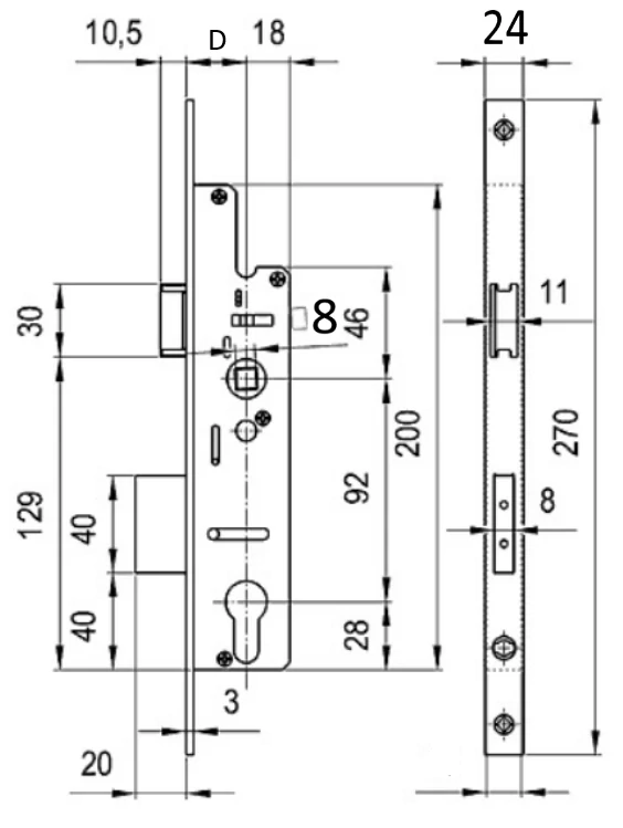
- Europortal SB 92/55/24
Europortal SB 92/55/24
- Parametre
Europortal SB 92/55/24Skladom 2 ks55 €/ ks45,83 € bez DPH
Parametre
Rozteč92 mm
Dormas55 mm
Celková hlbka (zadlab)75 mm
Širka lišty24 mm
Dlžka lišty270 mm
Hrubka lišty3 mm
Hranol8 mm
ZámokPravo Ľavý
Tovar zaradený v kategóriách









