Novinky
04.11.2025
Doprava ZADARMO Bratislava Pezinok Modra.
Do poznámky pri objednávke treba napísať Heslo : Prosím priniesť
čítať celé
17.10.2025
Zameranie a montáž vložiek na systém generálneho a hlavného kľúča ZADARMO.
Zameranie a MONTÁŽ vložiek na systém SGHK Bratislava Pezinok Modra ZADARMO !
čítať celé
- Úvod
- Zadlabávacie Zámky
- BKS Zadlabávcí zámok 1314 0091
BKS Zadlabávcí zámok 1314 0091
- Kompletné špecifikácie
- Parametre
BKS Zadlabávcí zámok 1314 0091Skladom 10 ks55 €/ ks45,83 € bez DPH
Kompletné špecifikácie
BKS Zadlabávcí zámok 1314 0091
Parametre
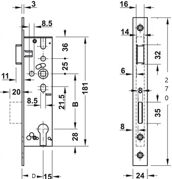
Rozteč92 mm
Dormas25 mm
Celková hlbka (zadlab)40 mm
Širka lišty24 mm
Dlžka lišty270 mm
Hrubka lišty3 mm
Hranol8 mm
ZámokPravo Ľavý
Tovar zaradený v kategóriách









